当前位置: 首页 > 产品大全 > 电力人必学必会 电流互感器精讲

电力人必学必会 电流互感器精讲

电力人必学必会 电流互感器精讲

电流互感器是电力系统中不可或缺的重要设备,广泛应用于电流测量、继电保护和电能计量等领域。作为电力行业从业者,深入理解电流互感器的原理、类型、应用及注意事项至关重要。

一、电流互感器的基本概念

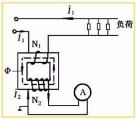
电流互感器是一种按比例变换电流的电气设备,其基本工作原理基于电磁感应定律。它将一次侧的大电流转换为二次侧的小电流,通常二次侧额定电流为5A或1A,以便于测量仪表和保护装置的安全使用。

二、电流互感器的主要类型

1. 按用途分类:测量用电流互感器和保护用电流互感器。

2. 按结构分类:贯穿式、支柱式、母线式等。

3. 按绝缘介质分类:油浸式、干式、气体绝缘式等。

三、电流互感器的工作原理

电流互感器的一次绕组串联在电路中,二次绕组连接测量或保护设备。根据匝数比,二次电流与一次电流成正比,相位基本相同。理想情况下,电流互感器的变比误差和角误差应尽可能小。

四、电流互感器的应用领域

1. 电力系统监测:实时监测线路电流,确保系统稳定运行。

2. 继电保护:当系统发生故障时,提供准确的电流信号,触发保护装置动作。

3. 电能计量:与电能表配合,精确计量电能消耗。

五、使用电流互感器的注意事项

1. 二次侧严禁开路:开路会产生高电压,危及设备和人身安全。

2. 确保正确接地:防止绝缘损坏时产生危险电压。

3. 定期校验:保证测量精度和可靠性。

4. 选择合适的变比和准确级:根据实际应用需求选择。

电流互感器是电力系统的“眼睛”,正确选择、安装和维护电流互感器,对保障电力系统安全、稳定、经济运行具有重要意义。电力从业者应熟练掌握其知识,并在实践中不断深化理解。

更新时间:2026-02-02 01:44:27

如若转载,请注明出处:http://www.zgzydq.com/product/566.html